


Wassersensor
LKF-Industrial



Sie haben Fragen?
Haben Sie Fragen oder wünschen Sie eine individuelle Beratung?
Wir sind nur einen Klick entfernt und freuen uns auf Ihre Nachricht!
SEPAR WSA
Der WSA Sensor erkennt dank kapazitiver Erfassungsmethode zuverlässig Wasser im Kraftstoff und schützt so Motoren und Kraftstoffsysteme vor Schäden.
Vorteile & Eigenschaften
- Kapazitive Messung von Wasser im Kraftstoff
- Optional für alle SEPAR-Filtersysteme verfügbar
- Einfach nachrüstbar, auch in bestehende Systeme
- Frühzeitige Wassererkennung für proaktives Handeln
- Kompakte Bauform, flexible Integration in alle SEPAR-Systeme
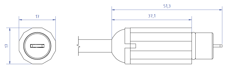
Technische Daten
| Abmessungen | ca. ⌀17×52 mm |
|---|---|
| Länge mit Kabel | ca. 520 mm |
| Umgebungstemperaturen | -40 °C … 85 °C |
| Leergewicht | ca. 50 g |
| Betriebsspannung | 12…24 V |
| Stromaufnahme | 15 mA |
Optionen
Gehäusematerial
Downloads
DAS KÖNNTE IHNEN GEFALLEN
Passende Produkte
SWK
Zuverlässiger Schutz für Ihren Motor: Das SWK-Filtersystem entfernt Wasser und Partikel zuverlässig aus dem Kraftstoff und sorgt dafür, dass Ihr Motor jederzeit reibungslos läuft.
LKF-Automotive
Maximaler Motorschutz durch zweistufige Filtration: Der robuste LKF-Koaleszenzfilter sorgt für sauberen Diesel – leicht, kompakt und universell einsetzbar.
LKF-Industrial
Maximaler Motorschutz durch zweistufige Filtration: Der robuste LKF-Koaleszenzfilter sorgt für sauberen Diesel – leicht, kompakt und universell einsetzbar.
EVO
Kompakt, effizient, modern: Der EVO vereint höchste Filtrationseffizienz mit leichter Bauweise und schützt Diesel zuverlässig vor Wasser und Schmutz.
KONTAKT
Ihre Nachricht an uns,
wir freuen uns darauf!
Haben Sie Fragen, Anregungen oder Interesse an unseren SEPAR-Lösungen? Schreiben Sie uns eine E-Mail oder nutzen Sie unser Kontaktformular – wir freuen uns über Ihre Nachricht.
Telefon und Fax
Tel.: +49 2324 9460-0
Fax: +49 2324 40842
Sie finden uns hier
Am Walzwerk 2
45527 Hattingen
Deutschland